evrikazap.ru
evrikazap.ru
Найти
Evrikazap リップル
»
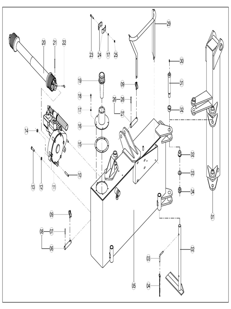
cardan roçadeira
» Cardan roçadeira lavrale (99) foto
Cardan roçadeira lavrale (99) foto
0
1
2
3
4
5
06 март
0
0
cardan roçadeira
Похожие статьи
Rocadeira de arrasto com cardan preço (99) foto
Roçadeira de arrasto com cardan preço (99) foto
Rocadeira de cardan (99) foto
Roçadeira de arrasto com cardan (99) foto
Roçadeira de arrasto com cardan usada (99) foto